手柄消防溝(gou)槽蝶閥

産品型号(hao):D81X

公稱通徑:DN50~DN600(2"~24")

公稱壓(yā)力:PN11/30/25

工作溫度:0°C~80°C

适用(yong)介質:国产麻豆9l精㊙️品三级站🌈水及泡沫混(hùn)合液

閥體材質:球(qiu)墨鑄鐵

産品詳情(qíng)

産品概述
       手柄消(xiao)防溝槽蝶閥具有(you)安裝快速、簡易、安(an)全、可靠、不受安🌈裝(zhuang)場地限制、便于管(guan)道與閥門的維修(xiū)保養,有隔振隔音(yin)與🌐一定💃🏻的角💁度範(fan)圍内有克服管道(dao)連🌈接不同⭕軸而産(chan)生仿差,解決溫差(chà)所産生熱脹冷縮(suō)等優點。廣泛應用(yong)于🌈輸送流體♌管道(dào)的給🔱排水,消防、空(kōng)調、燃氣、石油、化工(gōng)、水處理、市政、造船(chuán)等管道工程作爲(wei)控制流體作用。


産(chǎn)品特點

1、閥門采用(yòng)中線型密封結構(gou)設計,扭矩輕,密封(feng)性能好;
2、蝶闆、閥杆(gǎn)采用無銷設計連(lian)接,連接可靠性好(hǎo);
3、蝶闆整體采用包(bao)膠硫化,耐腐蝕性(xing)好;
4、閥門與管道的(de)連接采用卡箍連(lián)接形式,安裝方便(biàn)、快速;
5、閥門的驅動(dong)方式多樣化,可配(pei)置把手操作、蝸輪(lún)蝸⭐杆操作🌐、電動及(jí)氣動操作方式。

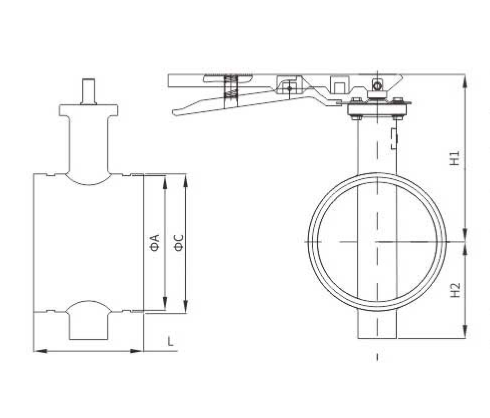
手柄消防溝槽(cáo)蝶閥(圖1)

主要外形(xíng)連接尺寸

型号

DN

Φ A

Φ C

L

H1

H2

ZSDF 8-Q-65-16-D81X

65

72.3

76.1

96

142

70

ZSDF 8-Q-80-16-D81X

80

84.9

88.9

96

149

79

100

110.1

114.3

115

173

94

ZSDF 8-Q-150-16-D81X

150

160.8

165.1

132

201

117